Colibri
Запчасти Деталировки
Наборы и ремкомплекты
Дополнительное оборудование
Спец предложения
Документация
Программное обеспечение
colibri.pdf
Colibri, инструкция по эксплуатации RUS
В файле представлена инструкция по эксплуатации торгового автомата Colibri, которая предоставляется производителем, переведённая на русский язык
Скачать
vlscolibri.pdf
Colibri, инструкция по запуску RUS
Самостоятельно разработанная инструкция по запуску торгового автомата Colibri, прекрасно илюстрированная, разработанная легендарной командой VendLand Service в 2005 году
Скачать
colibri_s.m._programm._-_u.pdf
Colibri, programming service manual EN
Подробное описание меню настроек торгового автомата Colibri от производителя на английском языке
Скачать
colibri_s.m._-_u.pdf
Colibri, service manual EN
В файле представлена прекрасно иллюстрированная инструкция для автомата Colibri ориентированная на технических специалистов. Такого вида документацию, когда-то, предоставляли только техническим специалистам компаний, имеющих официальные отношения с NECTA, теперь это доступно всем желающим. В инструкции представлены также подробные рекомендации по гигиеническому обслуживанию в соответствии с директивой HACCP для стран ЕЕС.
Скачать
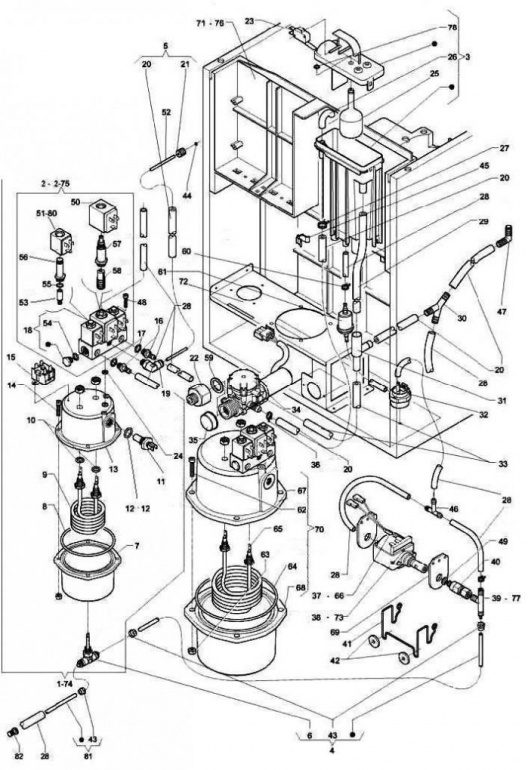
colibri_c5.pdf
Сolibri, каталог запчастей EN
В этом файле последний и наиболее полный каталог запасных частей кофейных автоматов семейства Colibri
Скачать
c_esteur5.doc
Colibri, Заводская таблица дозировок Colibri C5
В файле представлена таблица дозировок для кофейного автомата Colibri C5, предлагаемая производителем. С полным набором конигураций (layout)
Скачать
colibri_es4.xls
Colibri, Таблица дозировок для Colibri C4
В файле представлен пример таблицы дозировок для торгового автомата горячих напитков Colibri C4 с использованием ингредиентов Almafood и Caprimo
Скачать
colibri_es-5caprimo_1.xls
Colibri, Таблица дозировок для Colibri C5
В файле представлен пример таблицы дозировок для торгового автомата горячих напитков Colibri C5 с использованием ингредиентов Caprimo
Скачать
c5exe16rus.rar
Colibri Rev. 1.6 EST EUR
ПО для автомата Colibri C4/C5, платёжные системы Executive с описанием конфигурации и лейаутов
Скачать
c5mdb10.rar
Colibri Rev. 1.0 MDB EST
ПО для автомата Colibri C4/C5, платёжные системы MDB с описанием конфигурации и лейаутов
Скачать
swcolibri_lavazza.rar
Colibri Rev. 1.9 LVZ Lavazza
ПО для автомата Colibri LB (капсулы Lavazza Blue) с описанием конфигурации и лейаутов
Скачать
PRO
099058PRO Plunger set 20pcs
На складе: 3 шт
₽ 6 218
Necta
0V1659 SNAIL W/DIAM. 73-74
На складе: 656 шт
Склад СПб: 15 шт
₽ 669
Necta
LSNWEk21 Revisionsset Colibri Lite
На складе: 5 шт
Склад СПб: 3 шт
₽ 243
Necta
SNWEk21 Revisionsset Colibri
На складе: 3 шт
Склад СПб: 1 шт
₽ 2 147
Universal
VP01 Набор подкачки воды из канистры
На складе: 2 шт
₽ 2 888
VPN01 Набор замены разъёма сч воды
На складе: 35 шт
Склад СПб: 1 шт
₽ 468
PRO
099058PRO Plunger set 20pcs
На складе: 3 шт
₽ 6 218
Necta
VPZ01 Ремкоплект кофеблока Z2000/3000
На складе: 15 шт
Склад СПб: 1 шт
₽ 343
Necta
VPZ02 Ремкоплект кофеблока Z2000/3000 Lite
На складе: 20 шт
Склад СПб: 1 шт
₽ 74
Necta
0KITZ3000D48 MAINTENANCE KIT COFFE GROUP Z3000 D48
На складе: 39 шт
Склад СПб: 1 шт
₽ 7 039
Necta
0KITZ3000 KIT MANUTENZIONE GRUPPO CAFFE' Z3000
На складе: 21 шт
Склад СПб: 1 шт
₽ 1 763
Necta
VPC01 Комплект миксера NECTA
На складе: 2 шт
₽ 3 759
VPN01 Набор замены разъёма сч воды
На складе: 35 шт
Склад СПб: 1 шт
₽ 468
Rielda
957734-1 RIELDA KIT 10+1
На складе: 6 шт
₽ 8 448
Rielda
957734-2 RIELDA KIT 5+1
На складе: 1 шт
Склад СПб: 1 шт
₽ 4 121
Rielda
957734-3 RIELDA KIT 2+1
Нет в наличии.
₽ 1 769
Rielda
959905-10 RIELDA KIT NEW 10+1
На складе: 6 шт
₽ 19 103
Rielda
959905-5 RIELDA KIT NEW 5+1
На складе: 5 шт
₽ 10 338
957734-0 RIELDA ZERO
На складе: 149 шт
Склад СПб: 5 шт
₽ 200